led幻彩-快闪慢闪系列

2121内置IC 全彩LED灯珠

2121内置IC 全彩LED灯珠
产品型号:TM-S2121RGBED-E
产品特点:金线 知名芯片 低压直流
99.99%金线焊接 颜色一致性高 低压直流操作
更可靠、更稳定 高品质,高流明 更安全
节能高效 瞬时启动
应用场景
广泛应用各类家电,电子产品、照明灯饰、数码产品、汽车电子、通信交通指示、城市亮化工程的相关产业
产品型号:TM-S2121RGBED-E
产品特点:金线 知名芯片 低压直流
99.99%金线焊接 颜色一致性高 低压直流操作
更可靠、更稳定 高品质,高流明 更安全
节能高效 瞬时启动
应用场景
广泛应用各类家电,电子产品、照明灯饰、数码产品、汽车电子、通信交通指示、城市亮化工程的相关产业
联系im电竞
2121内置IC 全彩LED灯珠 立即咨询
首页/产品/贴片LED系列/led幻彩-快闪慢闪系列
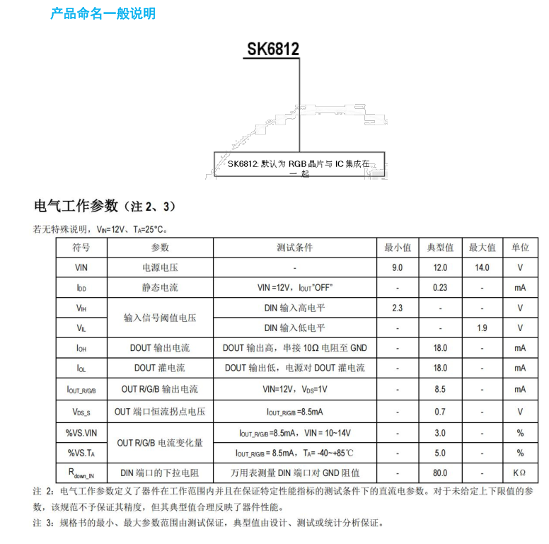
技术规格

1694764882080.jpg1694764905496.jpg

953a9632da74583134767d52272314a.jpg



3652623452ef7535366051678caaf0a.jpg

im电竞实业电子目录书_03.png
GREATBRIGHT
GREATBRIGHT
GREATBRIGHT
GREATBRIGHT

im电竞企业文化:

提高im电竞职工身体素质  增强企业凝聚力

initpintu_副本.jpg

 

贴片LED使用说明书

为了增进您对我公司的产品特性的了解,方便您在使用过程中掌握其使用特性,尽量减少或避免因人为因素造成不必要的产品损坏或者性能不匹配。特在此说明。

1. 物料确认

投料的LED BIN 等级是否吻合 在一起使用亮度可能有差异,不同的CIE BIN 在一起使用发光颜色可能会用差异)。

2. 包装储存

开包装前避免湿气进入LED 内部,建议SMD 系列的LED 存放在内置干燥剂的干燥柜中。储存环境温度范围5-30 度,湿度不超过50%。

3. 开包装后的预防措施

开包装后尽可能采取整卷除湿措施,除湿条件:70 度烘烤4-12 小时。

除湿后的材料应该尽快使用完(24 小时内)。余料请密封或放置在10-40 度,湿度不超过30%的环境中。

4. 作业注意事项

本产品最多只可回焊两次,且在首次回焊后须冷却至室温之后方可进行第二次回焊.建议回流焊温度范围在200-240 度。在作业过程中,不能用手直接取材料,手上有汗,汗水对硅胶表面存在光学污染,影响出光。另外硅胶相对柔软,手用力挤压会导致断线造成死灯。

不建议将LED 贴装在弯曲的线路板上。焊接时避免快速冷却,在LED 焊接冷却过程中避免任何形式的机械力或过度震动,焊接后,不要弯曲线路板。在返修或单颗材料作业时,不能用镊子挤压胶体表面,由于硅胶相对较软,用镊子挤压胶体会导致断线,压伤晶片,从而死灯。

在批量作业时,吸嘴小于产品内径会导致吸嘴冲压硅胶,造成金线断裂,晶片受压而死灯。

完成焊接的LED 不宜进行返修作业,如不可避免,采用双头烙铁,但事先要确认返修后是否对LED特性产生破坏。

5. 静电防护

LED 是静电敏感电子原器件,应该采取各种措施避免静电。例如:在使用过程中佩戴静电环。所有的装置设备、仪器应接地。建议在对组装后的LED产品进行测试检查LED 是否收到静电的破坏。

6. 清洁清洗

建议使用异丙醇来清洁LED,如果采用其他溶剂清洗,一定要确保此溶剂不会对环氧、有机硅、硅胶、支架银层等产生影响。不建议使用超声波清洗以免对LED 造成伤害。若不可避免,清洗前请事先进行预测试,以确认是否对LED 造成不良影响或潜在性隐患。

7. 其他注意事项

LED 长期暴露在阳光或偶尔暴露在紫外线下可能导致胶体变黄。

为了确保LED 光电性能,请保持LED 发光区表面清洁,避免手指印或其他异物覆盖。

在设计电路时应预防开关过程中产生逆向电压或过大电流对LED 瞬间冲击。

在使用过程中避免镊子等锋利工具触碰硅胶胶体部分。


Copyright © 2020 广东im电竞光电科技有限公司All rights reserved 粤ICP备2022115307号 网站地图 法律申明