广东im电竞光电科技有限公司官网-直插led灯珠_贴片led灯珠_led灯珠厂家_大功率LED灯珠_广东im电竞光电官方网站
EN
首页
关于
im电竞简介
公司环境
发展历程
企业资讯
优势
卓越的品质
创新im电竞
高效im电竞
智慧im电竞
完善的售后服务
产品
点击进入分类:大功率LED系列
红外线|光敏系列
贴片LED系列
直插LED系列
食人鱼LED系列
uv紫外LED系列
COB系列
全光谱植物LED系列
视觉光源专用LED系列
带座LED系列
理疗美容led系列
数码管led系列
小蝴蝶led灯珠系列
亮化工程专用led系列
车用led系列
光耦合器系列
激光器
传感器
教育照明低蓝led
LED模组
方案
新闻
公司动态
台 · 铭
行业动态
联系
微通道叠阵激光器
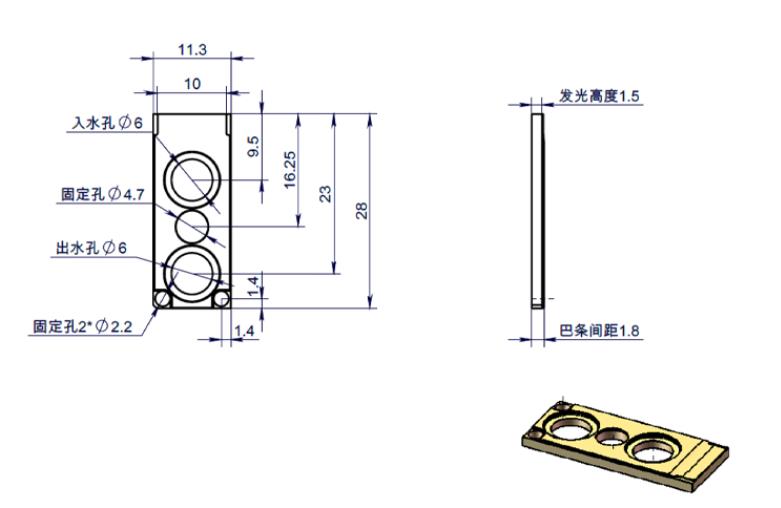
TM-HGLD-xxx-WD-D-100W微通道叠阵激光器
TM-HGLD-xxx-WD-D-100W微通道叠阵激光器
特点:
高功率
低 smile 效应
窄光谱
高可靠性
特点:
高功率
低 smile 效应
窄光谱
高可靠性
联系im电竞
TM-HGLD-xxx-WD-D-100W微通道叠阵激光器
立即咨询
首页
/
产品
/
激光器
/
高功率叠阵激光器
/
微通道叠阵激光器
技术规格
Copyright © 2020 广东im电竞光电科技有限公司All rights reserved
粤ICP备2022115307号
网站地图
法律申明
技术支持:
盛夏网络